Sketch Block


Mengubah objek menjadi blok sketsa dan membuat objek baru dengan memasukkan blok dan dengan cepat mengubah ukurannya.

Sketsa 3D


Objek dalam sketsa 3D berbentuk tiga dimensi, dapat ditangkap atau dibatasi, dan mendukung penggunaan Referensi Titik Cerdas. Anda dapat langsung menggunakan sketsa 3D sebagai kontur, jalur, kurva, dll. Untuk pemodelan

Geometry Healing


Menganalisis dan dengan cepat memperbaiki kondisi abnormal (misalnya tepi terbuka, celah, permukaan duplikat, loop persimpangan) yang ditemukan dalam geometri file yang diimpor.

Layer Manager


Mengurutkan dan mengatur fitur model dengan cepat dalam 3D: menyusun layer dengan mudah melalui atribut Kategori; mengontrol dan mengedit layer dengan fungsi Filter dan Pilih Objek dalam Layer.

Customize Feature


Buat satu fitur dengan semua fitur dari beberapa geometri sehingga Anda dapat dengan mudah menggunakan kembali fitur dan menghindari pekerjaan yang berulang.

Intelligent Design Tools


Gambar raster dapat diembos pada permukaan model Anda dengan baik dan cepat dengan perintah Embos. Morph dan Winding dapat digunakan untuk objek, permukaan, dan model STL.

3D Bill Of Material


Informasi atribut dari semua bagian dapat ditampilkan dalam baris dan kolom Bill Of material ( BOM )3D, diedit, dan langsung diekspor ke gambar teknik 2D.

Batch Rename


Anda dapat mengubah nama bagian dalam batch dengan Rename Assembly tanpa mengubah struktur assembly menjadi item perakitan serial yang berubah dengan cepat.

Flexible Sub-Assembly


Dengan mengubah derajat kebebasan sub-perakitan di perakitan umum, Anda dapat terus mengganti komponen sub-perakitan dengan DOF di perakitan umum.

(Dis)assembly of Sub-Assemblies


Anda dapat membongkar dan menyeret komponen sub-perakitan, mengubah komponen menjadi sub-perakitan, atau menyimpan sub-perakitan sebagai file baru atau objek baru.

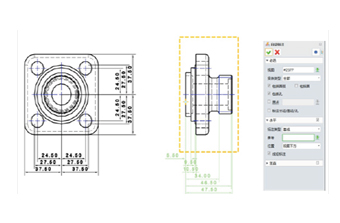
Automatic Annotation


Secara efisien menghasilkan dimensi linier / diameter / radius / lubang dan seterusnya dengan semua objek dalam tampilan atau anotasi objek yang dipilih.

PMI Annotation


Secara efisien menghasilkan dimensi linier / diameter / radius / lubang dan seterusnya dengan semua objek dalam tampilan atau anotasi objek yang dipilih.

Sheet Metal Design


Desain lembaran logam yang kompleks dapat diselesaikan dengan Bend, Loft, Louver, Punch, dll. File yang diimpor dapat diubah menjadi bagian lembaran logam untuk dibentangkan, dibengkokkan, atau disain. Fungsi FastBlank lanjutan memungkinkan Anda menghasilkan efek tidak terlipat.

Reverse Engineering


Siapkan data point cloud untuk pembuatan permukaan dengan menghapus, memotong, membagi, menyederhanakan point cloud yang diimport. Sebuah mesh yang sempurna dapat dibuat dari point cloud yang diproses dan secara otomatis diubah menjadi permukaan NURBS.

Informasi Produk

Fitur ZW3D CAD

ZW3D memberi Anda kemampuan komprehensif dengan anggaran yang sangat bersahabat untuk seluruh proses pengembangan produk.